Staffa reggicavo, ancoraggio tipo U, 2 cavo coppa in metallo, FT

N. art. 1186563 | EAN 4012196850174

Descrizione prodotto
Descrizione prodotto
Staffa reggicavo con ancoraggio tipo U, coppa in metallo con bordi arrotondati a protezione del cavo. Per il montaggio verticale e orizzontale di 1 cavo singolo su profilato a C con scanalatura di larghezza 18 - 22 mm. Dotata di vite SW10 per il serraggio della coppa tramite testa esagonale o intaglio a croce. Per il montaggio in ambiente interno ed esterno. Si raccomanda l'uso della controcoppa, da ordinare separatamente.
  • Comunità europee, Dichiarazione di conformità CE secondo le linee guida CE
  • Larghezza scanalatura 18 mm
  • Larghezza scanalatura 22 mm
  • Staffa reggicavo per profilati a C, dimensioni asola 18-22 mm
  • Impronta di carbonio (PCF)
  • Imballaggio senza plastica
  • Confezione completamente in cartone riciclato
Dati tecnici

Dati tecnici

Aggiunta materiale Acciaio
Aggiunta superficie zincato a caldo
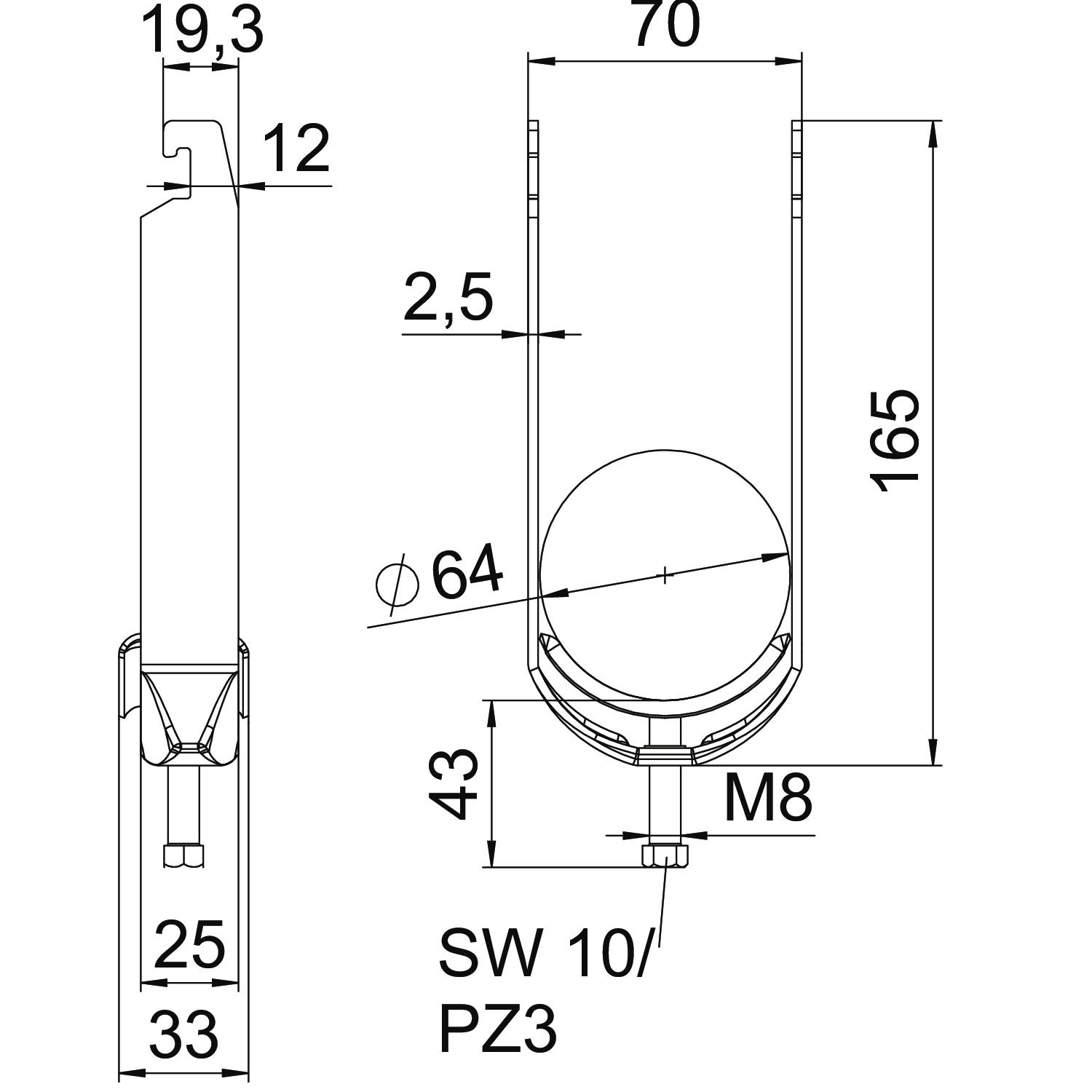
Altezza 165 mm
Capacità D max 64 mm
Capacità D min. 58 mm
Con controcoppa no
Con coppa in metallo
Con coppa in plastica no
Dimensione H 165 mm
Dimensione 58-64mm
Dimensione A 25 mm
Dimensione B 70 mm
Dimensione C 33 mm
Dimensione G (mm) M8
Dimensione L 43 mm
Dimensione t 2,5 mm
Filettatura M8
Impronta CO2 (GWP) dalla culla al cancello 0,5458 kg CO2e / 1 Pezzo
Larghezza 70 mm
Larghezza asola 10 mm
Lunghezza 25 mm
Lunghezza esterna 33 mm
Mantenimento funzionale
Materiale Acciaio
Materiale della coppa Acciaio
Max. Coppia di serraggio 5 Nm
Modalità di montaggio Profilati
Numero dei cavi/tubi 2
per diametro tubo max 64 mm
per diametro tubo min. 58 mm
per profilato portacavi con apertura asola (con intervallo) max 22 mm
per profilato portacavi con apertura asola (con intervallo) min. 18 mm
Priva di alogeni
Spessore lamiera 2,5 mm
Super- ficie zincato a caldo per immersione
Tutti i tipi

Tutti i tipi

Tipo Capacità D min. Capacità D max Max. Coppia di serraggio N. art. Quantità Conf.
BS-U2-M-12 FT 8 mm 12 mm 3 Nm 1186503
50 Pezzo
BS-U2-M-16 FT 12 mm 16 mm 3 Nm 1186510
50 Pezzo
BS-U2-M-22 FT 16 mm 22 mm 3 Nm 1186517
50 Pezzo
BS-U2-M-28 FT 22 mm 28 mm 3 Nm 1186523
50 Pezzo
BS-U2-M-34 FT 28 mm 34 mm 3 Nm 1186530
50 Pezzo
BS-U2-M-40 FT 34 mm 40 mm 3 Nm 1186537
50 Pezzo
BS-U2-M-46 FT 40 mm 46 mm 5 Nm 1186543
50 Pezzo
BS-U2-M-52 FT 46 mm 52 mm 5 Nm 1186550
50 Pezzo
BS-U2-M-58 FT 52 mm 58 mm 5 Nm 1186557
50 Pezzo
BS-U2-M-64 FT 58 mm 64 mm 5 Nm 1186563
50 Pezzo
Download

Download

Dichiarazione di conformità UE BS-U2-M-64 FT / 1186563 , 0.13MB , pdf
Download

BS-U2-M-64 FT / 1186563
Download